فهرست مطالب
به عنوان اولین مطلب، تجهیزات تولید فوم پلی یورتان، بسته به فشار مواد شیمیایی که به محفظه یا سر میکسر وارد میشوند، به دو نوع فشار پایین یا فشار بالا طبقه بندی می شوند.
فشارهای پایین، معمولاً 50 –200psi (345-1379kPa) هستند و فشارهای بالا، 1000-3500psi (6.9-24.1MPa) در نظر گرفته میشوند. برخی دستگاه ها به ویژه آن هایی که برای تولید فوم slab مورد استفاده قرار می گیرند، به صورت هیبریدی هستند و از پمپ های فشار پایین روی برخی از جریان ها و پمپ های فشار بالا روی جریان های دیگر بهره می گیرند. نوع دستگاه انتخابی، به نوع فوم، حجم فوم و مهارت کارکنان بستگی دارد. دستگاه های فشار بالا نیازمند اپراتورها و پرسنل نگهداری با مهارت فنی بالاتر هستند. مستقل از تکنیک مورداستفاده، مولفه های متعددی در تولید فوم موثر مورد نیاز است:
- منبع مواد خام
- واحدهای اندازهگیری
- سرهای میکسر
- سیستم کنترل دما
- سیستم کنترل فرایند
منبع مواد خام
منبع مواد خام، مخازن انتقال تهیه شده از تامین کننده مواد شیمیایی، مخازن ذخیره خانگی، مخازن میکسر و مخازن تغذیه یا مخازن روزانه برای ماشین فوم هستند. در برخی موارد، یک مخزن معین می تواند دو یا چند منظوره عمل کند. انتقال از تامین کننده، با واگن، کامیون مخزنی، کیسه های پلاستیکی در تریلر، سطل های مستطیلی و استوانه ای صورت می گیرد.
زمانی که انتقال از طریق مخازن عظیم انجام شود، مواد به مخازن بزرگ خانگی منتقل می شوند. مدیریت این مولفه ها بستگی به الزامات شیمیایی مانند حفظ دما یا همزنی دارد. ایزوسیانات ها در شرایط بدون رطوبت ذخیره می شوند تا از واکنش های نامطلوب جلوگیری شود. برخی از ایزوسیانات ها نیازمند گرمایش هستند تا سولفیدزایی صورت نگیرد.
در دستگاه های تولید slab stock، مواد معمولاً به صورت مستقیم از مکان ذخیره سازی به پمپ های اندازه گیری منتقل می شوند. در دستگاه های دیگر، مواد به مخازن تهویه دار واسط یا مخازن روزانه در دستگاه فوم پلی یورتان منتقل می شوند تا شرایط دمایی و تهویه مواد بهتر باشد. مشخصات مخازن روزانه با توجه به سازنده دستگاه متغیر است و شامل مخازن یک جداره و دو جداره با صفحات یا سیم پیچ های کنترل دمای داخلی، عایق بندی، همزن ها و ابزاری برای چرخش مجدد یا بدون این موارد است. مخازن می توانند تحت فشار یا بدون فشار باشند. مواد ساخت وساز بستگی به مشخصات آن مولفه دارند اما مخازن معمولاً از فولاد کربنی ساخته می شوند که اگر ماده خورنده باشد، پوشش داخلی فنولیک یا اپوکسی دارند. مخازن فولاد ضدزنگ در کاربردهای خاص به کار گرفته میشوند. سیستمهای تمام خودکار معمولاً برای اطمینان از تهویه مناسب اجزاء به کار گرفته می شوند.
خدمات پس از فروش
جهت استعلام قیمت و خرید پلی یورتان مایع برای تولید فوم پلی یورتان با شرکت ایمن پلیمر شیمی تماس حاصل نمایید.
واحدهای اندازه گیری
واحدهای اندازه گیری، می توانند فشار بالا یا فشار پایین باشند. مستقل از این طبقه بندی، واحدها باید انتقال و نگهداری را با دقت بالا در محدوده ±1% انجام دهند. دستگاه های فشار پایین می توانند هر تعداد مولفه جداگانه که برای فرمولاسیون موردنیاز است را مدیریت کنند در حالی که واحدهای فشار بالا تنها به دو یا سه مولفه محدود می شوند مگر اینکه اقدامات خاصی انجام شده باشد.
محدوده ظرفیت خروجی از چند اونس یا میلی متر بر ثانیه برای کاربرد هایی مانند واشرهایی که درجا پر می شوند تا 1000lb/min (454kg/min) یا بیشتر برای بخش های قالب گیری بزرگ یا تولید قطعاتslab stock هستند. در دستگاه هایی که برای تزریق دورهای به کار می روند، انتقال دقیق مواد در طول تزریق موردنیاز است. در دستگاه های تزریق پیوسته، توانایی چرخش مجدد یک امر ضروری است.
دستگاه های فشار پایین
دستگاه های فشار پایین معمولاً پمپ های دندهای دقیقی دارند. اگر پرکننده های خورنده در فرمولاسیون فوم مورد استفاده قرار گیرند، پمپ هایی با طراحی دقیق موردنیاز خواهند بود. برای حذف مشکلاتی مانند نشت از درزها و کنترل های محیطی، پمپ های ایزوسیانات، سیستم های جفتشده محرکه مغناطیسی دارند. محرک های پمپ مختلف، واحدهای محرکه مستقیم با موتورهای AC فرکانس متغیر یا DC، موتورهای دندهای، محرکه های زنجیری با چرخ دنده های قابل تعویض برای تنظیم خارجی، دنباله های چرخ دنده، یا محرکه های قرقرهای قدرت دارند. ماشین های پرتوان ممکن است به صورت ترکیبی باشند (با پمپهای فشار بالا و پایین) تا دقت بهتری در اندازه گیری مولفه های خاص حاصل شود.
در دستگاه های تولید قطعات slab، توانایی ایجاد جریان های مختلف وجود دارد اما همه جریان ها نباید به صورت همزمان فعال باشند. این سیستم ها امکان تغییر فرمولاسیون سریع را به وجود می آورند تا زمان تغییر کاهش یابد و زوائد حذف شوند. در دستگاه های تزریق، روند کار به صورت کمینه سازی جریان و در نتیجه حذف مشکلات مربوط به عملیات های روشن و خاموش سازی است.
دستگاه های فشار بالا
دستگاه های فشار بالا، معمولاً دستگاه های قالب گیری تزریقی واکنشی، مخلوط سازی ضرب های (RIM)، یا مخلوط سازی ضرب های فشار بالا (HPIM) نامیده می شوند. این اصطلاحات که در اوایل دهه ۱۹۷۰ ایجاد شده اند به سیستم هایی اطلاق میشوند که مخلوط سازی مولفه های آنها از طریق برخورد جریان مولفه ها با فشار بالا بدون همزن های مکانیکی صورت گیرد. عبارت دیگر، مخلوط سازی تزریق مایع (LIM) برای یورتان ها به کار برده میشود؛ با این وجود این عبارت توسط جنرال الکتریک برای سیستم های لاستیکی سیلیکونی مایع مورد استفاده قرار گرفته است. در حالی که ماشین های LIM معمولاً به عنوان دستگاه های تزریق شاتی در نظر گرفته می شوند، اما برای کاربردهای تزریق پیوسته مانند تولید پانل فوم سخت(ریجید) ورق های نیز مورد استفاده قرار می گیرند. دو نوع اندازه گیری فشار بالا وجود دارد: پمپ و سیلندر.
سیستم های اندازه گیری پمپی
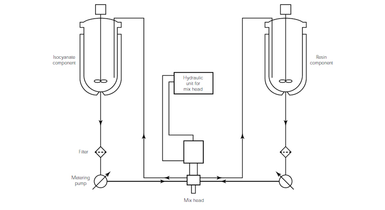
این نوع سیستم ها از پمپ های پیستونی درون خطی، شعاعی یا محوری با دقت بالا بهره می گیرند و قادر به ایجاد فشارهای موردنیاز هستند. این سیستم ها، نسخه های اصلاح شده از پمپهایی هستند که برای خدمات رسانی در سوخت یا روغن هیدرولیک به کار می روند، به علت تلورانس نزدیک و نوع مواد ساخت وساز، این پمپ ها برای مواد ذرهای خورنده مانند فیبرهای شیشه ای یا مواد معدنی مورد استفاده قرار نمی گیرند. مواد با ویسکوزیته بسیار بالا را نیز نمی توانند به خوبی مدیریت کنند زیرا پمپها اساساً هیچ توانایی مکشی ندارند و روزنه های بسیار کوچکی دارند.
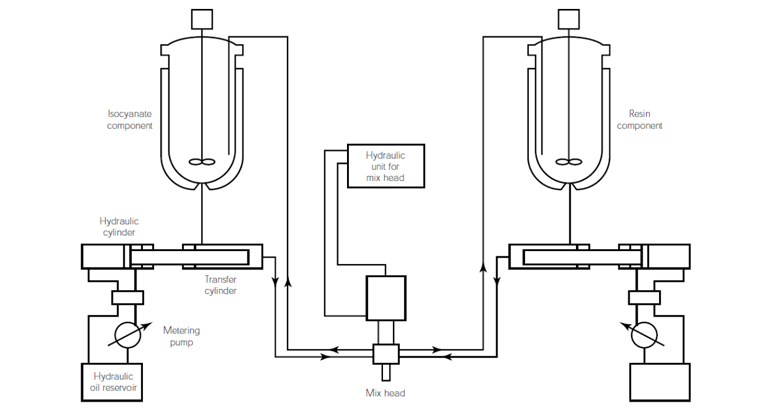
حد ویسکوزیته بیشینه اسمی برای این پمپها، ۲۰۰۰ سانتیپواز (cP) در دمای عملیاتی است. با استفاده از پمپهای تقویتکنده میتوان ویسکوزیتههای بالاتر را نیز مدیریت کرد. پمپهای اندازهگیری میتوانند از نوع خروجی ثابت یا قابل تنظیم باشند. سیستمهای محرکه مختلف مورد استفاده قرار می گیرند و میتوان خروجی را به صورت دستی از طریق موتورهای DC یا AC فرکانس متغیر یا سیستم های سروو تغییر داد. شکل ۱ شماتیک از یک دستگاه فشار بالا را نشان میدهد که مخازن روزانه دو جداره برای کنترل دما دارد.
واحدهای اندازه گیری سیلندری
دستگاه هایRIM تقویت شده (RRIM) سیلندرهای نوع پلانگری یا نیزهای را به کار می گیرند که قادر به مدیریت مواد خورنده و مواد با ویسکوزیته بالا هستند. در سیلندر نیزهای که در شکل ۲ نشان داده شده است، نیزه متحرک با سطح داخلی سیلندر تماس ندارد؛ این قطعه تنها با درزهای مارپیچی تماس دارد به گونه ای که فشار ایجاد می کند. مواد جابه جا می شوند و سیلندر بعد از هر ضربه نیزه به صورت کامل تخلیه نمی شود. سیلندرها را میتوان به صورت مستقل یا به کمک سیلندرهای کمکی به حرکت درآورد.
تجهیزات فوم سازی
طرحی از یک دستگاه سیلندر نیزهای در شکل ۳ زیر نشان داده شده است. برای کاهش هزینه، دستگاه تنها یک سیلندر برای اندازه گیری مولفه های خورنده دارد در حالی که پمپ اندازه گیری، مولفه های غیرخورنده را مدیریت می کند. اگرچه فشارهای عملیاتی برای دستگاه های سیلندری معمولاً از همان مرتبه پمپ های اندازهگیری هستند، واحدهای خاص می توانند برای سیستم هایی که مخلوط سازی آنها پیچیده است فشارهای ضرب های تا 15000psi (103MPa) را ایجاد کنند. در حالی که واحدهای سیلندری معمولاً برای یک توانایی تزریق لحظه ای معین ساخته می شوند، واحدهای خاص مانند سیلندرهای تاندونی هستند که به دقت کنترل می شوند و ضربه های هم پوشان دارند و دریچه های سوئیچ کننده دقیقی دارند که خروجی پیوسته را ممکن می سازند.
شرکت Gusmer Admiral یک واحد اندازه گیری سیلندری پیوسته به نام سیستم پمپاژ CDC را ارائه میکند. این سیستم سیلندر دوکاره که در شکل ۴ نشان داده شده است، به علت درزگیری پیستون داخلی، یک سیلندر نیزهای نیست. واحدهای اندازه گیری سیلندری دقیق دیگری برای اهداف خاص مانند افزودن رنگ یا خروجی های بسیار کم مورد استفاده قرار می گیرند زیرا در این شرایط با پمپ های دوار یا چرخشی نمیتوان به دقت دلخواه دست یافت. ملاحظات مربوط به خوردگی درز پیستون سبب میشوند که به کار گیری این پمپها به مواد غیرخورنده محدود شود. دستگاه های اسپری فوم نیز واحدهای اندازه گیری سیلندری هستند. این دستگاه ها معمولاً به صورت پنوماتیک حرکت می کنند و ضربه هر سیلندر معین است تا نسبت مواد ثابت باشد. نسبت ها با تغییر سیلندر تغییر می کند. واحدهای افشانه ای معمولاً خودتمیزشوندگی، مخلوط سازی خارجی، تفنگهای دستی دارند و فشارهای ضربه ای در آنها به 3500psi (24MPa) میرسد.
آرایه دریچه ها برای اطمینان از جریان پیوسته در این دستگاه ها مورد استفاده قرار می گیرد. اغلب دستگاه های اسپری فوم توانایی بازچرخش ندارند و مولفه ها با شلنگهای گرمایی گرم می شوند تا واکنش سریع یکنواخت اسپری فوم تضمین شود؛ این امر سبب ایجاد یک سطح هموار میشوند. یک واحد اسپری پنوماتیکی نوعی در شکل ۵ نشان داده شده است. شرکت Linden یک واحد پنوماتیکی برای اسپری یا تزریق ارائه میکند که مشکلات مربوط به ناسازگاری فشار تغذیه هوای فشرده در آن دیده نمی شود.
سرهای میکسر
سرهای میکسر به دو روش دسته بندی می شوند: چرخشی و غیرچرخشی؛ و فشار بالا و فشار پایین.
در سر چرخشی، مولفه ها از مخازن روزانه از طریق پورت هایی به سر چرخشی رفته و از آن جا به مخزن برمی گردند. اگر پخش فوم به صورت دورهای صورت گیرد، نوع چرخشی با کنترل دمایی مناسب برای عملکرد خوب سیستم الزامی است. در زمان چرخش، فشار برگشتی از در سر میکسر کنترل می شود. شیرهای قرقرهای در زمان تزریق لحظه ای باز می شوند. سرهای میکسر تغذیه پیوسته نیز امکان چرخش دارند؛ با این وجود اغلب آنها غیرچرخشی هستند. در سرهای غیرچرخشی، پمپ ها به صورت متوالی آغاز به کار کرده یا دریچه ها باز می شوند تا اطمینان حاصل شود که شروع کار به صورت هموار است و اتلاف ها کمینه شوند. در شروع، جریان های کوچک (کاتالیزورها، سورفکتانتها و افزودنیهای مایع) ابتدا وارد می شوند و سپس پلی ال و ایزوسیانات به کار گرفته می شوند.
ایمن پلیمر شیمی؛ پیشرو در تولید پلییورتان مایع
شرکت ایمن پلیمر شیمی، تأسیسشده در سال ۱۳۸۲، با بهرهگیری از مدیرانی باتجربه در صنعت پلییورتان، به یکی از بزرگترین تولیدکنندگان پلییورتان در ایران تبدیل شده است. این شرکت با ارائه محصولات متنوع و باکیفیت، جایگاه ویژهای در بازار داخلی به دست آورده است. ویژگی برجسته ایمن پلیمر شیمی، تأکید بر تحقیق و توسعه است؛ بهطوریکه در سال ۱۳۹۵ با تأسیس آزمایشگاه تحقیق و توسعه و در سال ۱۳۹۶ با راهاندازی کارخانهای مجهز در شهرک صنعتی شکوهیه، توانسته است نیازهای مشتریان را بهطور مؤثرتری تأمین کند. برای خرید پلییورتان مایع و بهرهمندی از محصولات باکیفیت این شرکت، میتوانید با کارشناسان ایمن پلیمر شیمی تماس بگیرید.


